Service
一.背景與問題分析
隨著智能汽車市場的發展,電子化、新能源化、輕量化等成為汽車行業的發展新趨勢。智能駕駛系統、新能源管理系統等電子模塊成為智能汽車的心臟,進而催生了車載觸控顯示面板市場需求的增加,汽車多媒體顯示屏作為顯示終端之一,在汽車電子系統中至關重要,如何處理好多媒體的EMC問題,是當下工程師比較頭疼的問題。
二.整改前

三. 整改措施
顯示屏板整改措施
(1)屏芯片晶振加展頻 IC (5 腳輸出電阻 100Ω,7 腳展頻調節電阻 30KΩ,晶振匹配電容 需保留);
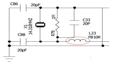
(2)原電路中晶振輸出磁珠 R23 (FB10R)去掉;
(3)磁珠 L76 去掉(焊盤位置暫時保留),磁珠下的 PCB 走線去除;
(4)5V 轉 9V 電源部分輸出端加共模電感。

(5)屏電路板中 12V 轉 5V 、5V 轉 9V 電路中的地獨立(參照樣機);
(6)屏電路板中 12V 轉 5V 電路中的輸出端口加共模電感。
(7)5V 轉 9V 電路附件的接地固定孔懸空

(8)5V 轉 9V 電源電路輸入端的正負各加一顆磁珠(大電流,阻抗 120Ω,同 L72);
(9)12V 轉 5V 電路輸入地線(電容 C100 附近,具體位置見樣機)增加磁珠(大電流, 阻抗 120Ω, 同 L72);

(10)屏時鐘驅動線上磁珠 L10 阻值由 120Ω更改為 600Ω。
(11)屏板上的三組電源開關電路增加吸收回路(電容值: 4.7nF,電壓值需客戶根據電路 實際電壓值進行選擇)
12V 轉 5V →位置:U4 三腳到地;
5V 轉 9V →位置:U15 一腳到地;
5V 轉 T10V →位置:U17 一腳到地

(12)屏接地導電泡棉改用彈簧片(看客戶意見,導電泡棉可以滿足測試要求)
(13)客戶原屏蔽銅皮省去;
(14)屏塑膠框做噴導電漆處理;(實驗過程用導電布代替)
(15)主機外殼和屏金屬外殼連接:
(16)屏 12V 電源輸入端口增加共模電感參考樣品;
★實驗中通過將共模電感加到屏線上進行驗證。
(17)主板與屏的數據連接線做成屏蔽線(做接地處理);

(18)排插 CN2 上的非地引腳需預留到地 0603 電容的位置;
四.整改后
五:總結與建議
1. 復雜功能產品研發設計階段,需要從考慮元器件選型,盡量選用頻率低,EMC信息完整的器件。
2. PCB布線遵循EMC設計原則。
3. 測試整改驗證階段需要按模塊按功能使用排除法確認干擾源和路徑。
