Service
一.背景與問題分析
由于無刷電機的安全可靠、效率高、噪聲低、壽命長等特點,其應用越來越廣泛,在諸如廚房電器、白色家電、智能家居、電機數碼、醫療設備、汽車等領域中都有它的身影。而無刷電機因為其電子開關驅動控制模式,難免會出現EMI問題。
二.整改前
傳導發射超標數據
三.整改措施
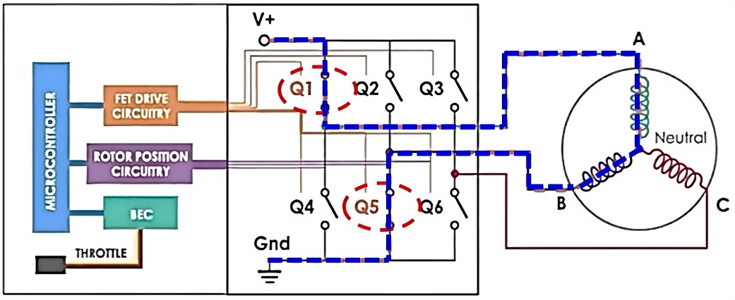
相比有刷電機通過碳刷和換向器實現電流方向的變換,進而實現磁場方向的切換、保證線圈感生的磁場相對永磁體來說總是連續產生吸引或排斥作用,實現轉子線圈的連續轉動,無刷電機是通過不同組半導體開關的通斷(如PWM波輸入MOS管柵極、控制其開關)來改變線圈中的電流流向、切換線圈的磁場方向實現對永磁轉子接力推拉旋轉。
如圖1,在某一時間,電控模塊的開關管Q1和Q5導通,電流流過線圈A組和B組;如圖6,因線圈的繞線方式不同,二者產生的磁場方向相反,對同一永磁轉子一組線圈產生推力、一組產生拉力,實現了2組線圈合力驅動永磁轉子的轉動。
圖1 電機驅動模塊
圖2 線圈定子推拉永磁轉子轉動示意
因此,不同于有刷電機的電刷與換向器的續斷接觸產生的電火花為較大噪聲來源,無刷電機的噪聲主要由電機控制驅動模塊、開關管的開關噪聲產生。另外,機器自身的電源模塊:AC-DC、DC-DC模塊也會產生較大噪聲。
通過現場分析產品的原理圖及PCBA,發現針對開關控制、驅動模塊易出問題的點或者可通過限流、濾波降低干擾的點,如開關管SW端、MOS管輸出端并無限流、濾波措施,或是濾波參數還有調整的空間;而電源DC-DC模塊的輸入端也無相應的抑制共模噪聲措施;現場通過近場掃描也確實能發現這兩塊的噪聲較大。
找到了源頭,接下來的處理措施也就簡單了,最終的整改措施包括:
1)DC輸入加CLC濾波(如圖7,C1=C2=22uF,L1為272共模電感);
2)MOS管柵極RC由75R/4.7nF改成110R/6.8nF;
3)三相驅動輸出對地加10nF電容濾波;
4)電機線纜靠近電機端繞磁環;
圖8 電機驅動模塊濾波
(客戶未提供原理圖,此原理圖僅作示意)
圖3電機線繞磁環
四.整改后
傳導發射數據
輻射發射數據
五:總結與建議
1、無刷電機的主要噪聲源為電驅電控模塊的DC-DC升降壓電源的噪聲、及三相驅動開關管的開關噪聲;
2、抑制無刷電機EMI的噪聲可以針對其開關管的脈沖控制信號、三相輸出的矩形波信號進行處理,通過加濾波措施對矩形波上升沿和下降沿的過沖、振鈴進行削弱;同時也可以延緩信號上升沿和下降沿,降低干擾;
3、電機自身的金屬外殼一般都有一定的屏蔽作用,但因外接線纜、非金屬結構件的存在等,無法保證完全屏蔽、干擾也會以傳導的方式通過線纜外泄,其他電源、監控等線纜也是潛在的等效天線,所以針對線纜也需要做屏蔽或濾波(端口濾波、繞磁環等)處理。
